- 产品详情
- 图片集锦
简述:
加热热源有蒸汽、电、电蒸汽两用型三种方式
类别:
非标烘箱
详细说明:

特点:
● 加热热源有蒸汽、电、电蒸汽两用型三种方式。
● 使用温度:蒸汽加热50-140℃,高150℃;电加热50-350℃;
● 温度实行自动控制,并且有记录仪记录;
● 箱体内壁均满焊,各过渡处均采用圆弧过渡,无死角。
● 整机密封性好,独特的导轨密封装置,保证了整机的密封性;
● 进风口配套空气过滤器;排湿口配套中效空气过滤器。
● 双开门烘箱双门实现机械联锁;
● 烘箱内各零部件均可快速拆卸、快速安装,以方便清洗;
● 控制系统备有文本显示器、触摸屏可供选择;整机符合“GMP”要求
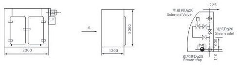
安装示意图:
GMP-I(蒸汽加热型)

技术参数表:
技术参数 | 每次干燥量 | 风机功率 | 耗用蒸汽 | 烘车 | 烘盘 | 外形尺寸 | 上下温差 |
GMP-0 | 35 | 0.45 | 8 | / | 16 | 1130×1100×1750 | ±2 |
GMP-I | 120 | 0.45 | 18 | 2 | 48 | 2300×1200×2000 | ±2 |
GMP-II | 240 | 0.9 | 36 | 4 | 96 | 2300×2200×2000 | ±2 |
GMP-III | 360 | 1.35 | 54 | 6 | 144 | 3430×2200×2000 | ±2 |
GMP-IV | 480 | 1.8 | 72 | 8 | 192 | 4460×2200×2290 | ±2 |
- 返回上一页
- 上一篇:HZG系列回转滚筒干燥机
- 下一篇:CT-C系列热风循环烘箱








