联系我们

  • 朱总 18861234123
  • 江苏省常州市天宁区郑陆工业集中区
母液干化机
滚筒干燥母液干化机是一种内加热传导型转动连续干燥设备。旋转的滚筒通过其下部料槽,粘附着一厚度的料膜,热量通过管道输送至滚筒内壁,传导到滚筒外壁,再传导给料膜,使料膜中的湿得到蒸发、脱湿、使含湿分的物料得到干燥。
所属分类:智能干化
产品咨询: 18861234123
  • 产品详情
  • 图片集锦

母液干化蒸发一体机是由常州亿善环保自主研发的一种内加热传导型转动干燥设备,湿物料在滚筒外壁上获得以导热方式传递的热量,脱除水份,达到所要求的湿水含量,热量由筒内壁传到筒外壁,再穿过料膜,其热效率高,可连续操作,故广泛应用于液态物料或带状物料的干燥。

常州亿善环保的母液干化机对膏状和粘稠物料更为适用。

一、特点

1、热效率高:

筒内供给的热量,除少量热辐射和筒体的端盖部分散热损失外,大部分热量用于湿分气化,热效率可高达70~80%

2、干燥速率大:

筒壁上湿料膜的传热与传质过程,由里至外,方向一致,温度梯度较大, 使料膜表面保持较高的蒸发强度,一般可达30~70kg.H₂O/m².h。

3、产品的干燥质量稳定:

滚筒供热方式便于控制,筒内温度和间壁的传热速率能保持相对稳定,使料膜能处于稳定传热状态下干燥,产品的质量可获得保证。

4、适用范围较广:

采用滚筒干燥的液相物料,必须具有流动性、粘附性和对热的稳定性物料的形态可为溶液、非均相的悬浮液、乳浊液、溶胶等。对纸浆、纺织物、赛璐珞等带状物料也可采用。

5、单机的生产能力:

受到筒体尺寸的限制 一般滚筒干燥器的干燥面积,不宜过大。单筒的干燥面积,很少超过12m2。同一规格的设备,其处理料液的能力,还受到料液性质、湿含量控制、料膜厚度、滚筒转速等因素的影响,变化幅度较大,一般在50~2000kg/h。

6、供热介质简便:

常用饱和水蒸气,压力范围为2~6kgf/com2,很少超过8kgf/cm2。对某些要求在低温下干燥的物料,可采取热水作为热媒:对要在较高的温度下干燥的物料,也可用热媒或高沸点有机物作为热媒。

二、技术规格

规格

滚筒尺寸

有效加热
面积m2

干燥能力
kg.H2O/m2.h

蒸汽耗量kg/h

电机功率kw

外形尺寸mm

重量kg

TG-600

Φ600×800

1.12

40-70

100-175

2.2

1700×800×1500

850

TG-700

Φ700×1000

1.65

60-90

150-225

3

2100×1000×1800

1210

TG-800

Φ800×1200

2.26

90-130

225-325

4

2500×1100×1980

1700

TG-1000

Φ1000×1400

3.30

130-190

325-475

5.5

2700×1300×2250

2100

TG-1200

Φ1200×1500

4.24

160-250

400-625

7.5

2800×1500×2450

2650

TG-1400

Φ1400×1600

5.28

210-310

525-775

11

3150×1700×2800

3220

TG-1600

Φ1600×2000

6.79

270-400

675-1000

11

3350×1900×3150

4350

TG-1800

Φ1800×2500

8.48

330-500

825-1250

15

3600×2050×3500

5100

TG-1900

Φ1900×3000

10.60

420-630

1050-1575

18.5

5000×2200×3800

6150

注:如客户需要,可为客户设计制造上部进料双滚筒干燥机。

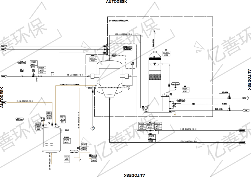
三、工艺流程图

202204110932030400.jpg